Service Hotline:4008-4009-38
Home
About Us
Campaign
Oration
Corporate Culture
Environment
Business
News
Company News
Industry News
What's New
Support
Product
变频器
伺服驱动器
伺服电机
自动化控制系统
Case
Case
Honor
honor
Contact Us
中 文
Product
伺服驱动器
自动化控制系统
伺服电机
变频器
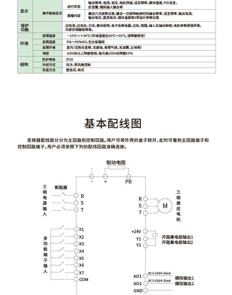
变频器660系列37KW-400KW
Description
项目内容
Home
Phone
SMS
Contact