客服电话:4008-4009-38
网站首页
关于我们
公司简介
组织机构
企业文化
公司环境
业务介绍
新闻中心
公司新闻
行业新闻
最新资讯
技术支持
产品展示
变频器
伺服驱动器
伺服电机
自动化控制系统
成功案例
案例展示
资质荣誉
企业荣誉
联系我们
English
新闻中心
公司新闻
行业新闻
最新资讯
技术支持
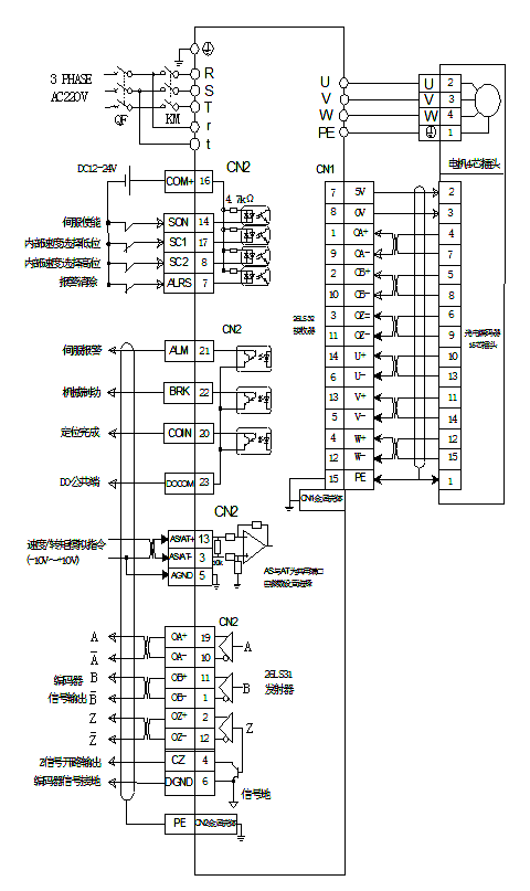
速度控制图
日期:
2023/5/25 20:45:20
浏览:
1971
0
首页
电话
短信
联系